产品特点
◆ 整机可定制高端釉面电镀,多种色彩可选,以搭配各色调环境;
◆ 整机高端刨槽工艺,接缝美观;
◆ 采用独家的上盖防指纹烤漆设计,区别普通的闸机,人过后不会在闸机留下指纹;
◆ 机盖高档黑色覆棉抗凝露;
◆ 机箱上盖边缘契合有软制的胶条,能做到防割伤,给用户高级的体验;
◆ 标配82mm风扇负压排风,有效降温、除湿,减少故障率;
◆ 每通道默认5对红外对射保护,上方3对,下方2对,对幼童、小推车等有良好保护;标配漏电开关;
◆ 主副控制器,标配联机线及膨胀螺丝;
◆ 高硬度纸箱包装,长短途运输无需打木架;
◆ 通过主控板上的内置小按盘,可编程设备的运行状态;
◆ 机械防夹、红外感应防夹功能,在伸缩臂复位的过程中遇阻时,在规定的时间内电机自动停止工作,默认延时后再次复位(直到复位为止),力度小(≤2Kg);
◆ 非法闯入、尾随报警,反向闯入闸门自动关闭;
◆ 具有自动复位功能,开闸后,在规定的时间内行人未通行时,系统将自动取消行人的此次通行权限,复位时间为1S~60S可调(系统默认时间为10S),断电后通道自动敞开(符合消防要求),上电通道自动关闭;
◆ 红外感应复位,红外感应防夹功能;
◆ 可与门禁系统、消费系统、电子门票系统、生物识别系统、静电测试仪等多种设备相衔接;
◆ 可单向或双向控制人员进出,红外感应进、出通道;
技术参数
| 列表 | DNCT-TD303 | |
| 基本参数 
 | 外观尺寸 | 1200*200*1000mm(长*宽*高) | 
| 生产工艺 | 全电脑数控激光切割 | |
| 机箱材质 | 304不锈钢,整机刨槽,整机足1.26mm | |
| 机箱工艺 | 钣金模具成型 | |
| 翼板材料 | 透明亚克力/红蓝亚克力/软翼/翼中翼 | |
| 红外对数 | 标准5对 | |
| 通道宽度 | 600mm/翼中翼900mm; | |
| 开闸时间 | 小于1-2s | |
| 通行速度 | 常开40人、常闭25人 | |
| 通讯接口 | RS485 | |
| 通讯距离 | 小于1200m | |
| 信号输入 | 干接点信号或12V电平信号(有效信号为脉冲信号有效持续时间大于等于50ms驱动电流最小10mA) | |
| 工作电压 | AC220V±10% | |
| 工作温度 | -25℃~70℃ | |
| 相对湿度 | ≤95%,无凝露(常温下) | |
| 工作温度 | -15度~50度 | |
| 环境要求 | 防水机型,可室内外使用 | |
| 额定功率 | 小于120W | |
| 电机 | 直流有刷,机械遇阻反弹 | |
| 额定电压 | DC24V | |
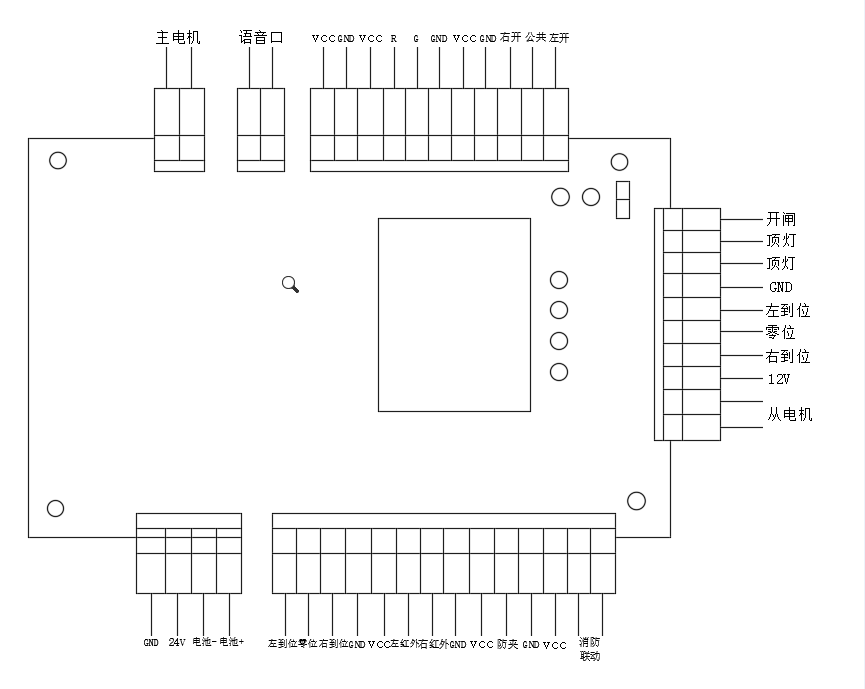
主机板接线图
 
从机板接线图
 
主机板
| 功能 | 标识 | 说明 | 
| 消防联动 | 
 | 外接消防信号开闸 | 
| 防夹红外接口 | VCC GND 防夹 | 
 | 
| 逻辑红外接口 | Vcc gnd 左红外 右红外 | 
 | 
| 限位接口 | Vcc gnd 右到位 零位 左到位 | 
 | 
| 电池接口 | 电池+ 电池- | 
 | 
| 电源接口 | 24V GND | 从机板取电 | 
| 主电机接口 | 
 | 24v电机接口 | 
| 语音接口 | 
 | 外接喇叭 | 
| 备用12V接口 | VCC GND | 电机相线和霍尔线接入 | 
| 顶盖灯接口 | VCC G R GND | 外接箭头指示灯 | 
| 备用12V接口 | VCC GND | 电机相线和霍尔线接入 | 
| 开闸接口 | 右开 公共 左开 | 外部线控信号接入 | 
| 联机线接口 | 开闸 顶灯 顶灯 GND 左到位 零位 右到位 12V 从单机 | 主辅机联机线 | 
从机板
| 功能 | 标识 | 说明 | 
| 备用12V接口 | VCC GND | 电机相线和霍尔线接入 | 
| 限位接口 | Vcc gnd 右到位 零位 左到位 | 
 | 
| 从电机接口 | 
 | 24v电机接口 | 
| 联机线接口 | 开闸 顶灯 顶灯 GND 左到位 零位 右到位 12V 从单机 | 主辅机联机线 | 
| 开闸接口 | 
 | 外部线控信号接入 | 
| 备用12V接口 | VCC GND | 电机相线和霍尔线接入 | 
| 顶盖灯接口 | VCC G R GND | 外接箭头指示灯 | 
| 备用12V接口 | VCC GND | 电机相线和霍尔线接入 | 
尺寸图
 
 
 
